Department of Plant Sciences, North Dakota State University,
Fargo, ND 58105,
U.S.A.
Considerable change in the gene map for chromosome 2 of barely and the list of associated genes has occurred since the last coordinator's report on chromosome 2 (Walker, 1974). The latest changes in the map were published by Tsuchiya (1986) and the latest list of genes associated with chromosome 2 was tabulated by Wettstein-Knowles (1992). Recently several molecular marker maps of chromosome 2 have been published for mapping populations in barley (Graner et al., 1991; Graner et al., 1994; Heun et al., 1991; Kasha et al., 1994; Kleinhofs et al., 1994) and a few morphological markers have been associated with molecular maps for chromosome 2 (Schondelmaier et al., 1993; Shin et al., 1990). In this report, recent information on the position of morphological markers and a few molecular markers in the chromosome 2 map will be summarize.
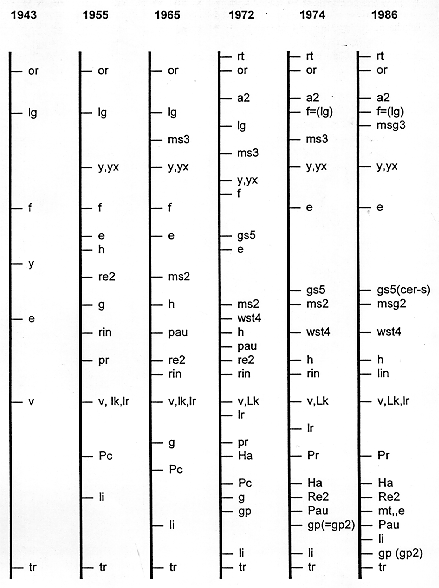
Some older maps of the genes in chromosome 2 of barley are presented to demonstrate the changes that have occurred over time (Figure 1). The first map was published by Immer and Henderson (1943). Many genes were added to the map by Robertson et al. (1955, 1965). Several genes were added by Tsuchiya (1972b), and gene order in the centromeric region was modified by Tsuchiya (1974). A few minor changes in the map were summarized by Tsuchiya (1986).
Recommended changes in gene order and the relative positions of some genes associated with chromosome 2 are presented in Figure 2. Best guess recombination distances are included to facilitate comparison of this map with other molecular and morphological marker maps of chromosome 2. Four molecular marker loci, each closely linked with a morphological marker, are included in Figure 2. MWG048 locus is 5.4 cM distal from the gs6 (glossy sheath 6) (Schondelmaier et al., 1993); the gene for strong photoperiod response, Ea (early maturity), is closely associated with the ABG002 in the Steptoe X Morex QTL map (Hayes et al., 1994); alleles at the v (six-rowed spike) locus did not recombine with several markers including CDO474C in a winter barley population (Graner, 1994); and Schondelmaier et al. (1993) placed the MWG097 about 14.0 cM distal from the wst7 (white streak 7) locus.
Positioning of the e (wide glume) locus in the short arm is based on telotrisomic analysis (Singh and Tsuchiya, 1974; Tsuchiya, 1972a) and resulted in a change from the gene order reported earlier. However, data obtained from crosses in the coupling phase place the e locus between two genes associated with the long arm, msg2 and v (Jin et al., 1993). Since Tsuchiya (1972a) reported only negative data regarding the position of the e locus, the Triplo 2L stock may have a deletion in the centromeric region. If e locus is in the long arm, the position of the centromere is probably between the cer-s (gs5) locus and the f or msg3 loci.
The loci com2 (bir2), Ea, gs1 (cer-cqu), msg9, msg33, and sk (cal-d) are assigned relative positions in the short arm; and the loci cer-g, cer-n (gs9), fol-a, wst7, and Zeo are assigned positions in the long arm of chromosome 2 (Luna Villafaña, 1995). New or revised barley genetic stock (BGS) descriptions for some of the genes in chromosome 2 are being prepared to summarize the information on their phenotypic expression and the linkage data.
Schondelmaier et al. (1993) placed the complex gs6 or gc1 locus in a subterminal position in the short arm and wst7 locus near the end of the long arm of chromosome 2. The Int-d mutants are likely part of the complex v (six-rowed spike) locus. As reported by Kuckuck (Smith, 1951), alleles at the Lk (awnless) locus will recombine with those at the v locus (Luna Villafaña, 1995). The failure of Engledow (1924) to find Lk-v recombinants was caused by a small inversion in the Engleawnless stock (Tsuchiya and Singh, 1972). The translocation in the cer-n.20 stock and the failure to find recombinants with e (Luna Villafaña, 1995) are evidence that the cer-n (gs9) locus may be distal to the e locus in the long arm. The G (toothed lemma) locus was moved back to a position between e and v based on linkage data (Luna Villafaña, 1995).
Changes in the gene symbols assigned to the com2 (bir2), mt4 (mt,,e), Pvc (P/c/), and wst7 (wst,,k) loci in chromosome 2 are recommended. The name of the bir1 (branching inflorescent, rachilla) was changed by Larsson (1985) to com1 (compositum), but some information on the com2 locus was published as bir2. The genes mt,,e and wst,,k were assigned new locus symbols based on allelism tests and chromosome location data. To eliminate the subscript, the locus symbol Pvc (purple lemma veins) is suggested for the P/c/ locus.
The cer-v, flo-c, and sld2 loci are associated with the short arm, but the data were inadequate to place them relative to adjacent markers.The abr and msg27 loci could not be assigned positions in relationship to other markers in long arm. The morphological markers, which have positive information regarding association with chromosome 2, are listed in Table 1. Ramage and Ronstadt-Smith (1983) reported that a light green dwarf (sld.d) in Two-rowed Glacier and (Ramage, pers. com.) reported that a Morex dwarf mutant (sdw.aw) are in chromosome 2. The chlorina mutant in B2-4 (f13) was associated with chromosome 2 via trisomic analysis (Hang, 1993). Linkage drag information for several mapped loci (Franckowiak, 1995) was used to identify some genes associated with chromosome 2. Information on isozyme and pest resistance genes will be consider in a later report.
References
Engledow, F.L. 1924.30 Inheritance in barley. III. The awn and the lateral floret (cont'd): fluctuation: a linkage: multiple allelomorphs. Jour. Genet. 14:49-87.
Faue, A.C., A.E. Foster, and J.D. Franckowiak. 1989. Allelism testing of an induced yellow streak mutant with the three known yellow streak mutants. BGN 19:15-16.
Franckowiak, J.D. 1991. Association of male sterility genes with a specific chromosome using multiple marker stocks. BGN 20:31-36.
Franckowiak, J.D. 1995. Notes on linkage drag in Bowman backcross derived lines of spring barley. BGN 24:
Graner, A., E. Bauer, A. Kellermann, S. Kirchner, J. K. Muraya, A. Jahoor, and G. Wenzel. 1994. Progress of RFLP-map construction in winter barley. BGN 23:53-59.
Graner, A., A. Jahoor, J. Schondelmaier, H. Siedler, K. Pillen, G. Fischbeck, G. Wenzel and R.G. Herrmann. 1991. Construction of an RFLP map of barley. Theor. Appl. Genet. 83:250-256.
Hang, A. 1993. Trisomic analysis on the chlorina mutant B2-4. BGN 22:23-24.
Häuser, J., and G. Fischbeck. 1976. Unterschungen zur Lokalisierung einiger Mutationen von Gerste (Hordeum sativum). Z. Pflanzenzuchtung 77:269-280.
Hayes, P.M., O. Iyamabo, and the NABGMP. 1994. Summary of QTL effects in the Steptoe X Morex population. BGN 23:98-143.
Heun, M., A.E. Kennedy, J.A. Anderson, N.L.V. Lapitan, M.E. Sorrells, and S.D. Tanksley. 1991. Construction of a restriction fragment length map for barley (Hordeum vulgare). Genome 34:437-447.
Immer, R.F., and M.T. Henderson. 1943. Linkage studies in barley. Genetics 28:419-440.
Jin, Y., J.D. Franckowiak, and G.D. Statler. 1993. Linkage among some of the morphological markers in Wolfe's stocks. BGN 22:25-26.
Kasha, K., A. Kleinhofs, and the NABGMP. 1994. Mapping of the barley cross Harrington X TR306. BGN 23:65-69.
Kleinhofs, A., A. Kilian, and the NABGMP. 1994. The NABGMP Steptoe X Morex mapping progress report. BGN 23:79-83.
Larsson, H.E.B. 1985. Genetic analysis of laxatum barely mutants. Hereditas 103: 255-267.
Luna Villafaña, A. 1995. Mapping marker genes in chromosome 2 of barley. M.S. Thesis. North Dakota State Univ., Fargo.
Ramage, R.T., and R.A. Ronstadt-Smith. 1983. Location of a light green dwarf mutant in chromosome 2. BGN 13:62-64.
Robertson, R.W., G.A. Wiebe, and R.G. Shands. 1955. A summary of linkage studies in cultivated barley, Hordeum species: Supplement II, 1947-1953. Agron. J. 47:418-425.
Robertson, R.W., G.A. Wiebe, R.G. Shands, and A. Hagberg. 1965. A summary of linkage studies in cultivated barley, Hordeum species: Supplement III, 1954-1963. Crop Sci. 5:33-43.
Scheuring, J.F., D.R. Clark, and R.T. Ramage. 1976. Coordinator's report: Desynaptic genes. BGN 6:108-109.
Schondelmaier, J., G. Fischbeck, and A. Jahoor. 1993. Linkage studies between morphological and RFLP markers in the barley genome. BGN 22:57-62.
Shin, J.S., S. Chao, L. Corpuz, and T.K. Blake. 1990. A partial map of the barley genome incorporating restriction fragment length polymorphism, polymerase chain reaction, isozyme, and morphological marker loci. Genome 23:803-810.
Smith, L. 1951. Cytology and genetics of barley. Bot. Rev. 17:1-51, 133-202, 285-355.
Søgaard, B. 1973. Continued linkage studies on eceriferum mutants in barley. BGN 3:57-61.
Takahashi, J. Hayashi, and I. Moriya. 1972. New linkage data obtained in 1971. BGN 2:74-76.
Tsuchiya, T. 1972a. Cytogenetics of telotrisomics in barley. BGN 2:93-98.
Tsuchiya, T. 1972b. New linkage maps of barley. BGN 2:163-167.
Tsuchiya, T. 1974. Linkage maps of barley as of March 1974. BGN 4:126130.
Tsuchiya, T. 1985. Descrition of barley genetic stocks. BGS 463. Gigas. gig. BGN 15:88.
Tsuchiya, T. 1986. Linkage maps of barley (Hordeum vulgare L.) BGN 16:40-43.
Tsuchiya, T., and R.J. Singh. 1972. Another case of paracentric inversion in a genetic stock, Engleawnless. BGN 2:110-111.
Walker, G.W.R. 1974. Coordinator's report: Chromosome 2. BGN 4:99-101.
Walker, G.W.R., K. Kasha, and R.A. Miller. 1958. Recombination studies in barley. Proc. Genet. Soc. Can. 3:41-43.
Wettstein-Knowles, P. von. 1992. Cloned and mapped genes: Current status. p.73-98. In P.R. Shewry (ed.) Barley: Genetics, Biochemistry, Molecular Biology and Biotechnology. CAB International, Wallingford Oxon, U.K.

Figure 1. A comparison of gene maps for chromosome 2 of barley published from 1943 to 1986, using the or, v, and tr loci as a common points of reference.

Figure 2. Estimated positions for morphological marker loci in
chromosome 2 of barley, including four molecular markers which map near the
indicated loci.
Table 1. Other morphological markers and isozyme loci associated with chromosome 2 of barley.
Gene symbol Locus name References
_______________________________________________________________________
acr Accordion rachis Franckowiak, 1995
ari-g Breviaristatum-g Franckowiak, 1995
cer-v Ecerferum-v Søgaard, 1974
cer-yb Ecerferum-yb Franckowiak, 1995
ert-j Erectoides-j Franckowiak, 1995
ert-q Erectoides-q Franckowiak, 1995
ert-u Erectoides-u Franckowiak, 1995
ert-zd Erectoides-zd Franckowiak, 1995
des7 Desynapsis 7 Scheuring et al., 1976
f13 Chlorina 13 Hang, 1993
f14 Chlorina 14 (Shyri) Franckowiak, 1995
gig (sf) Gigas (Female sterile) Tsuchiya, 1985
glo-c Globosum-c Häuser and Fischbeck, 1976
glo-d (cu4) Globosum-d (Curly 4) Franckowiak, 1995
gs7 Glossy sheath 7 Takahashi et al., 1972
Lax.ac Laxatum-ac (DWS1192) Franckowiak, 1995
Lax.ag Laxatum-ag (Mut.4033) Franckowiak, 1995
msg35 Male sterile genetic 35 Franckowiak, 1991
msg48 Male sterile genetic 48 Franckowiak, 1991
mss Midseason stripe Walker et al., 1958
sdw.aw Semidwarf-aw (Morex) Ramage, (per. com.)
sld.d Slender dwarf-d (Glacier) Ramage and
Ronstadt-Smith, 1983
yst4 Yellow streak 4 Faue et al., 1989